跳转至

实验 3:单周期处理器设计

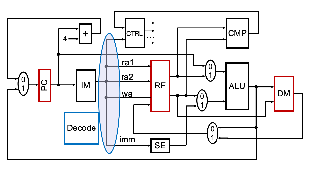
任务 1:完成单周期数据通路搭建

Task 1

依据简化的单周期数据通路,实现对 RV32I 大部分指令的支持。

Image title
单周期数据通路

本次实验需要实现的指令包括:

  • 移位指令 sll、slli、srl、srli、sra、srai
  • 算数与逻辑指令 add、addi、sub、xor、xori、or、ori、and、andi
  • 置数指令 slt、sltu、slti、sltiu、auipc、lui
  • 分支指令 beq、blt、bne、bge、bltu、bgeu、jal、jalr(思考该指令的实现)
  • 访存指令 lw、lb、lh、lbu、lhu、sw、sb、sh(注意非整字访存指令的实现)

提示

  1. 单周期的寄存器堆应当设置为读优先,否则仿真时会出现组合环,影响结果正确性。寄存器堆的读取需要是时钟异步的,否则会造成时序错误;
  2. 在译码器中添加对于 ebreak 指令的支持 ———— 处理器执行到该指令时,能正确产生 halt 信号;
  3. 非整字访存指令需要设计专用的访存控制单元。一种实现方案是先读后写。例如:如果我们想要带符号地读取 0x5 地址上的字节的值,我们就需要先读取 0x4 开始的四个字节上的数据,再取出其中的第 8~15 位,右移 8 位并符号扩展之后写入目标寄存器,总结起来就是:

    x[rd] = {{24{(M[0x4])[15]}}, (M[0x4])[15:8]}
    

    如果我们想要向 0x5 地址上写入一个字节的数据 0x12,为了不影响其余字节的数据,就需要先将它们读出,与待写入的数据拼接之后再写回。因此,实际执行的操作就是:

    M[0x4] = {(M[0x4])[31:16], (x[rd])[7:0], (M[0x4])[7:0]}
    

    另一种实现方案是存储器拆分:将数据存储器拆分成 4 个不同的小存储器,每个存储器为 1024*8bit。所有的数据访问操作被分解到对应的子存储器上进行。这种设计的时序会更好,但需要在接入仿真框架时额外拼接出对应的 32 位 commit 信号。

    在正常情况下,CPU 要求半字访问指令 lh、lhu、sh 仅会访问一个字中的低半字(0、1 字节)或高半字(2、3 字节),不会出现跨字访问或中间访问(1、2 字节)。因此,你可以假定所有的地址访问(包括 B-Type、J-Type 指令)都是合法的,对于不合法的数据可以自行指定其功能;

  4. 本次实验实际上是普通班 Lab3、Lab4 的整合,因此遇到困难可以阅读普通班的实验文档

任务 2:验证通路正确性

Task 2

基于仿真框架验证单周期处理器的正确性。本次实验仿真框架和上板框架的详细介绍请参考项目框架介绍仿真框架使用手册PDU 使用手册

Rars 的设置

本次实验需要将 rars 的内存空间设置为默认类型,因为仿真框架规定了程序段的地址范围为 0x00400000 ~ 0x0ffffffc。

需要注意的是,使用仿真框架时需要设定所选的指令集以及处理器类型(完整单周期处理器),并在 CPU 内部 commit 信号产生时生成 DMEM 相关的信号,即将

commit_dmem_we_reg  <= 0;                          
commit_dmem_wa_reg  <= 0;                          
commit_dmem_wd_reg  <= 0;

改为

commit_dmem_we_reg  <= dmem_we;     // 你 CPU 中数据存储器的对应信号                    
commit_dmem_wa_reg  <= dmem_wa;     // 你 CPU 中数据存储器的对应信号                    
commit_dmem_wd_reg  <= dmem_wd;     // 你 CPU 中数据存储器的对应信号

我们准备了一些测试文件,用于检测处理器执行指令的正确性。

你可以使用 Vivado 的波形图,对比处理器运行完成后寄存器堆的数值是否与 rars 一致;也可以将上面的指令载入仿真框架,由框架自动评测正确性(推荐后者)。

任务 3:上板运行

Task 3-1

使用 PDU 上板框架在开发板上部署单周期处理器。PDU 的源文件在这里,约束文件请基于 Lab1 的约束文件进行修改,添加对于串口的约束:

set_property -dict { PACKAGE_PIN C4    IOSTANDARD LVCMOS33 } [get_ports { uart_rxd }]; #IO_L7P_T1_AD6P_35 Sch=uart_txd_in
set_property -dict { PACKAGE_PIN D4    IOSTANDARD LVCMOS33 } [get_ports { uart_txd }]; #IO_L11N_T1_SRCC_35 Sch=uart_rxd_out

需要注意的是,PDU 文件内部的数码管模块为 FPGAOL 版本,用于显示当前的 commit_inst。如果需要在开发板上使用,请将 Segment 模块替换为开发板版本,并调整内部连线位宽。

物理开发板的串口交互可以使用 PuTTY 工具。默认的波特率为 9600,如果需要修改波特率,请自行调整 PDU 中 uart_rx、uart_tx 两个文件中的计数器。串口通信相关的知识可以参考这里

提醒

如果你始终无法在物理开发板上部署处理器,可以在 FPGAOL 的 zynq 开发板上进行部署,但会损失小部分分数。此外,我们强烈建议大家在仿真阶段确定 CPU 功能正确性后,再上板验证时序正确性

Task 3-2

上板运行汇编排序程序、指令测试程序,并与 rars 的结果进行对比。

选做任务:乘除法扩展(不计分)

Task X

在实现上述指令的基础上,额外实现 mul, mulh, mulh, div, divu, rem, remu 指令。请自行设计指令测试程序验证其正确性,并进行仿真与上板测试。

实验检查与提交

本次实验布置时间为 2026-04-08。相应的 DDL 节点如下:

检查 DDL 报告提交 DDL
2026-04-22 21:00 2026-04-29 23:59

检查与报告延迟一周以内(含)的,至多只能得到 80% 分数;延迟一周以上、两周以内(含)的,至多只能得到 60% 分数;延迟超过两周的不得分。

提醒

实验的 DDL 为当天晚上 21:00。助教有权利在 21:00 准时停止检查,请大家合理安排好自己的时间。

关于实验报告

实验报告需要大家提交 PDF 格式。我们推荐大家使用 Markdown 或者 Latex 撰写实验报告,这样可以直接导出为 PDF。大家也可以使用 Word、WPS 等进行报告撰写,最后转换为 PDF 格式。我们不推荐也不拒绝大家手写实验报告,但请将其拍照扫描成 PDF 文件后再上传。我们不接受任何因为文件格式错误而导致成绩异常的申诉请求!

在实验报告中,你需要给出每一项任务的答案,并附上必要的说明过程(或截图)。

特别地:实验报告的字数和排版与最终得分无关。影响得分的仅有内容正确性与完整性。

实验报告请提交至 BB 平台。

评论